 |
« вернуться к списку продукции
6.2 Двигатели шарошечного бурения типа Д808Б, КР808Б
Технические данные двигателей указаны в табл. 6.2.1, размеры и масса двигателей - см. рис. 6.2.1-6.2.5.
Отличительные особенности двигателей типа:
Д808Б - вертикально-фланцевый, со стандартным фланцем и стандартным коническим концом вала; самовентиляция эффективна при средних и высоких оборотах; добавление смазки без разборки двигателя возможно во все подшипниковые узлы, в том числе нижний, где расположен упорный подшипник.
Д808Б1 - аналогичен Д808Б, отличается размерами фланца и конца вала для возможности замены экскаваторного двигателя ДПВ52 (см. рис. 2.1.1), который ранее применялся на буровых станках.
Д808Б2 - аналогичен Д808Б, отличается стандартным цилиндрическим концом вала, наличием тахогенератора и вентилятора - "наездника" для эффективного использования двигателя при малой частоте вращения.
КР808Б - предназначен для замены бурового двигателя типа MDV808AA фирмы GE; имеет спец. конец вала, манжету в нижней крышке подшипника для защиты от попадания масла из редуктора при наклоне мачты бурового станка; длина корпуса уменьшена. Возможны другие исполнения двигателей и применения их на механизмах с тяжелыми условиями работы.
Вентилятор радиальный вибростойкий типа ВВР-14-46-2.1С (см. рис. 6.2.3) имеет асинхронный 3-х фазный двигатель АИР80А-2 мощностью 1,5 кВт, 2850 об/мин, 380 В; вибрация не более 5,5 мм/с, производительность по воздуху 17 м3/мин.
| Таблица 6.2.1 ТЕХНИЧЕСКИЕ ДАННЫЕ ДВИГАТЕЛЕЙ |
| Наименование параметров |
Д808Б, Д808Б1, Д808Б2 |
КР808Б |
| Режим работы номинальный |
S1(ПВ=100%) |
| Мощность номинальная, кВт |
90 |
90 |
90 |
| Напряжение номинальное, В |
220 |
440 |
440 |
| Ток якоря номинальный, А |
454 |
230 |
230 |
| Частота вращения, об/мин, |
|
|
|
| -номинальная |
1500 |
1500 |
1500 |
| -максимальная рабочая |
2300 |
3000 |
2500 |
| Максимальный крутящий момент, Н*м |
1480 |
1370 |
2180 |
| Момент инерции, кг*м2 |
2,1 |
2 |
2 |
| Способ возбуждения |
независимый |
| Напряжение возбуждения, В |
220* |
220* |
85 |
| Ток обмотки возбуждения номинальный, А |
5,2* |
5,2* |
11,4 |
* Возможно переключение обмоток возбуждения на напряжение 110 В, при этом ток, потребляемый обмотками возбуждения, увеличится в 2 раза.

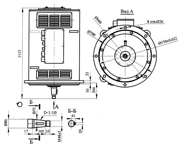
Рис. 6.2.1. Размеры двигателя Д808Б вертикального исполнения. Масса -840 кг.
Форма исполнения - IM4013

Рис. 6.2.2. Размеры двигателя Д808Б1 . Масса -840 кг.
1. Остальные размеры и надписи -см. Рис. 6.2.1.
2. Форма исполнения - IM4013.

Рис. 6.2.3 Размеры двигателя Д808Б2. Масса - 880 кг.
1 .Форма исполнения - IM4011.
2 .Вид климатического исполнения - У2, УХЛ2.
3 .Степень защиты двигателя - IP23, клеммной коробки - IP56.
4 .Вентилятор - "наездник" типа ВВР (по заказу).
5 .Тахогенератор типа ТМГ-30П (по заказу).
6 .Возможны другие размеры конца вала (по заказу).

Рис. 6.2.4 Размеры двигателя Д808Б горизонтально-фланцевого исполнения на лапах. Масса 890 кг.
1. Форма исполнения - IM9704.
2. Вид климатического исполнения - У1, УХЛ1, Т1.
3. Степень защиты двигателя - IP23 (коробка - IP56).
4. Возможны исполнения без фланца, с 1 концом вала, спец. размерами вала.

Рис. 6.2.5 Размеры двигателя КР808Б вертикального исполнения. Масса 820 кг.
1. Форма исполнения IM4013.
2. Способ охлаждения - самовентиляция.
3. Вид климатич. исполн. У1, УХЛ1, Т1.
4. Степень защиты IP23 (коробка - IP56).
5. Возможны другие размеры конца вала, фланца.
6. Номинальные параметры могут быть изменены (по заказу).
|
|
|