 |
« вернуться к списку продукции
8.3 Краново-металлургический двигатель типа Д908
• Двигатель Д908 полностью взаимозаменяем с двигателем Д808 (см. п. 1.1) по установочно-присоединительным размерам, но по номинальным параметрам может заменять двигатель Д810. При этом масса Д908 меньше массы Д810 на ~ 250 кг.
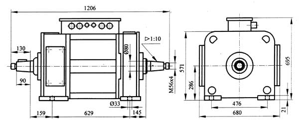
• Основные размеры двигателя Д908 приведены на рис. 8.3.1 и соответствуют габариту 808 по международному стандарту - Публикации МЭК34-14. По заказу может быть поставлен двигатель с высотой оси вращения h=280 мм; масса 930 кг. Возможные варианты конструктивных исполнений Д908 - см. п. 1.1.
• Номинальные данные нескольких исполнений двигателей представлены в табл. 8.3.1.
| Таблица 8.3.1 НОМИНАЛЬНЫЕ ДАННЫЕ НЕКОТОРЫХ ТИПО-ПРЕДСТАВИТЕЛЕЙ Д908 |
| Напряжение, В |
Исполнение по частоте вращения |
Режим работы |
Способ охлаждения |
Мощность, кВт |
Ток, частота вращения при возбуждении |
| последовательное |
параллельное |
| А |
об/мин |
А |
об/мин |
| 220 |
тихоходное |
S2-60 мин |
IC0041-закрытый двигатель |
55 |
285 |
500 |
270 |
550 |
| 440 |
тихоходное |
55 |
140 |
510 |
135 |
560 |
| быстроходное |
87 |
220 |
1250 |
210 |
1300 |
| 220 |
тихоходное |
S1-продолжи-тельный |
IC06, IC17, IC37-продув. |
63 |
335 |
500 |
320 |
540 |
| 440 |
тихоходное |
65 |
175 |
485 |
165 |
530 |
| быстроходное |
100 |
260 |
1135 |
250 |
1250 |

Рис. 8.3.1 Размеры базового исполнения двигателя Д908
|
|
|